RIELLO ha recentemente rilasciato sul mercato la sua nuova gamma di sistemi ibridi ADAPTO HYBRID, modulari e compatti, pensati per rispondere a diverse esigenze abitative.
I sistemi RIELLO ADAPTO HYBRID si distinguono per:
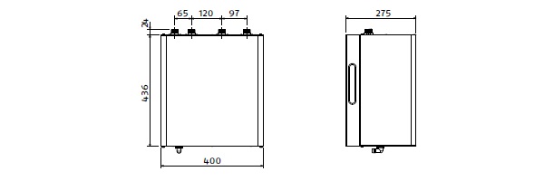
Dimensioni
compatte
Adatte anche a spazi ridotti
Facilità di
installazione
Grazie alla perfetta integrazione con gli impianti già presenti
Gestione
smart
Con possibilità di controllo remoto da app
Affidabilità
nel tempo
Con materiali di qualità e assistenza tecnica certificata

A differenza dei sistemi ibridi tradizionali, in cui la pompa di calore svolge il ruolo principale e la caldaia entra in funzione solo in presenza di temperature esterne molto basse, il nuovo sistema RIELLO ADAPTO HYBRID introduce un approccio più evoluto alla gestione energetica.
Alla base del suo funzionamento c’è un algoritmo intelligente, sviluppato da Riello, capace di selezionare in modo autonomo quale generatore attivare – e in quale proporzione – in base alle preferenze dell’utente (ottimizzazione economica o impatto ambientale ridotto), in modo da ottenere sempre il costo minimo oppure le emissioni minime di esercizio.
Il cuore del sistema è la gestione coordinata dei due generatori che:
Questa logica permette di ottenere la massima efficienza energetica senza interventi manuali da parte dell’utente.
Uno degli elementi distintivi di RIELLO ADAPTO HYBRID è l’algoritmo che regola automaticamente il funzionamento dell’impianto.
L’utente può impostare due modalità:
In entrambi i casi il sistema calcola il mix più conveniente tra generatore elettrico e generatore a gas.

Ottimizzazione economica

Ottimizzazione ecologica
Il primo obiettivo di un sistema ibrido è fornire il benessere abitativo, in modo costante e affidabile.
La presenza di due generatori aiuta ad assicurare la continuità del servizio offrendo stabilità e solidità al sistema.
Un altro punto di forza di RIELLO ADAPTO HYBRID è la sua struttura modulare:
L’unità idronica ha dimensioni ridotte, può essere installata a fianco oppure sotto alla caldaia, sia all’interno che all’esterno dell’abitazione (in luogo parzialmente protetto).

L’unità esterna può essere montata a parete, lasciando libero il pavimento di balconi e terrazzi: le sue dimensioni sono infatti comparabili con quelle dell’unità esterna di un condizionatore, però si tratta di un sistema ibrido splittato idronico!

Queste caratteristiche lo rendono adatto sia per le sostituzioni sia per gli interventi di riqualificazione energetica.
Ultimo punto, ma non meno importante: RIELLO ADAPTO HYBRID si può utilizzare anche per fare raffrescamento su ventilconvettori idronici, rivelandosi una soluzione completa e moderna per il clima di casa.
Il sistema è già Smart-Grid Ready, quindi può dialogare con le reti intelligenti e sfruttare le fasce orarie più favorevoli.
É inoltre compatibile con:
Si tratta di un elemento rilevante per chi vuole installare un impianto già predisposto alle evoluzioni del mercato energetico.
RIELLO ADAPTO HYBRID può beneficiare di tutti gli incentivi statali previsti per la sostituzione dei generatori di calore e per la riqualificazione degli impianti esistenti:
Bonus Casa
Ecobonus
Conto Termico 3.0
Non solo come sistema ibrido factory-made, ma anche aggiungendo la pompa di calore a una caldaia a condensazione Riello START già presente sull’impianto (intervento che si configura come pompa di calore ”add on”).
Si tratta di un elemento rilevante per chi vuole installare un impianto già predisposto alle evoluzioni del mercato energetico.
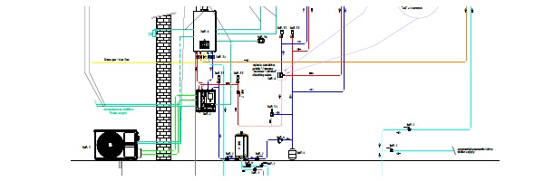
La documentazione tecnica dedicata a RIELLO ADAPTO HYBRID è presente sul nostro sito.
Nella sezione SCHEMI DI IMPIANTO di myRIELLO potete trovare anche lo schema di impianto idraulico ed elettrico, sia in formato pdf che in formato dwg: è il n° 157A.
